聯係(xì)電話:
0523-8733 8088
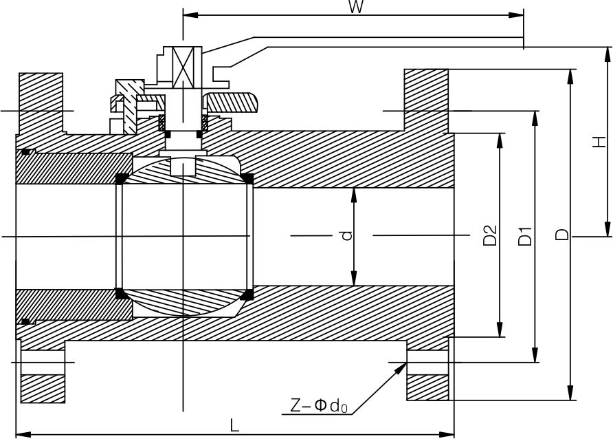
1、閥(fá)門采(cǎi)用整體鑄造,杜絕中部外漏,閥蓋采用六角式(shì),裝配緊實,配套法蘭密封圈(quān),杜絕外漏。
2、防(fáng)火結構:當發生火災時,球體(tǐ)隨閥座的介質力,使球體緊密接觸(chù)通道口處的金屬(shǔ)唇,達到防火硬(yìng)密(mì)封功能。
3、防(fáng)靜電結構:不鏽鋼(gāng)鋼(gāng)珠受強力彈簧加載,確保球體,閥杆和殼體三者通路,產生的(de)靜電暢通輸出。
4、防閥杆飛出結構:閥杆一體台階,確保閥杆受壓不(bú)飛出。
5、閥杆五級密封結構:第一級為倒密封(fēng)墊片,第二級為(wéi)VITON或者全氟(fú)迷O型圈,第三級為VITON或者全氮迷O型圈,第四級為V型PTFE、增強密封、柔性石墨、ISO15848填料密封,第五級密封為碟簧墊,在溫度和壓力瞬間(jiān)變化(huà),釋放瞬間產生的膨脹和壓力值,可以自動補償,從而達到良好的密封效果,保證閥杆(gǎn)的密封(fēng)。
6、閥座材(cái)料可以多種選擇,常用日本大金RPTFE,TFM1600,TFM4215,耐高溫KFM,PEEK,耐(nài)低溫PCTFE等。
7、閥座結構(gòu)為:弧麵密封具(jù)有刮刀效果,密封更寬,密封(fēng)效果更顯著。帶泄壓口,開關更(gèng)輕巧。







