聯係電(diàn)話:
0523-8733 8088
產品詳(xiáng)情
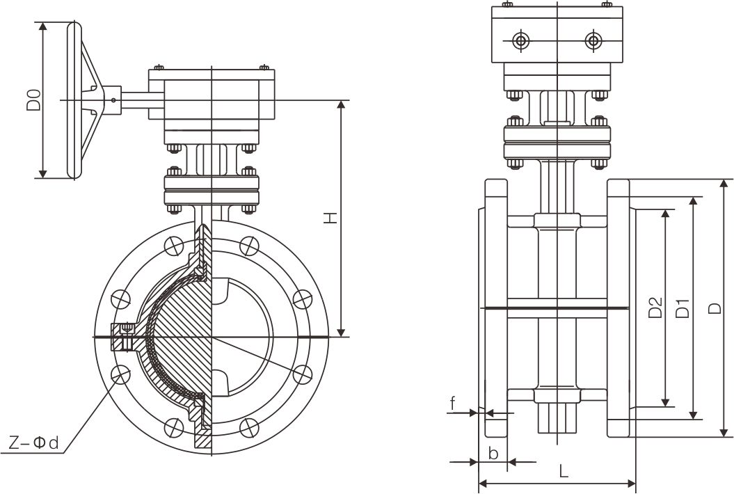
1、設計與製造符合中國(guó)國家標準;
2、基本結構形(xíng)式(蝶板軸與閥(fá)體/閥座中心重合);
3、A.D341F4全襯裏型閥體全襯裏/蝶板(bǎn)全襯層/襯層蝶板與蝶板(bǎn)軸雙D配合;
4、B.D341F46全襯裏型;
5、C.D341F4(46)/P半襯裏型閥體全(quán)襯裏/蝶板(bǎn)為不鏽鋼/蝶板與蝶板軸雙D配合。


1、設計與製造符合中國(guó)國家標準;
2、基本結構形(xíng)式(蝶板軸與閥(fá)體/閥座中心重合);
3、A.D341F4全襯裏型閥體全襯裏/蝶板(bǎn)全襯層/襯層蝶板與蝶板(bǎn)軸雙D配合;
4、B.D341F46全襯裏型;
5、C.D341F4(46)/P半襯裏型閥體全(quán)襯裏/蝶板(bǎn)為不鏽鋼/蝶板與蝶板軸雙D配合。



蘇公網安備 32128302001489號